Capítulo 1
Interpretación gráfica
En las representaciones gráficas utilizadas en la industria se utiliza la normalización para poder interpretar en todos los campos los dibujos industriales que servirán para el diseño y fabricación de los elementos que forman parte de un conjunto.
La conveniente interpretación del lenguaje gráfico es fundamental en cualquier técnico, y a partir de él, con la utilización de las normas, se podrán realizar las representaciones industriales que definan las piezas que se han de construir.
La perspectiva es un medio eficaz de representación de piezas que hace que la interpretación se realice de manera más sencilla e intuitiva; y con la utilización de cortes y secciones se aclaran en gran medida las características que se han de tener en cuenta en la fabricación y posterior unión en el conjunto mecánico.
Este lenguaje utiliza símbolos que describen las características que deben cumplirse al construirse las piezas, y ayudan también a expresar de manera clara y única las acciones que se han de realizar durante la fabricación.
En la buena utilización de las normas de acotación se inicia el proceso de interpretación y construcción de los elementos, que cuando se unen en el conjunto realizan la función prevista en el mecanismo, máquina o estructura industrial.
Es el tipo de representación gráfica que se utiliza en la industria en general para plasmar mediante dibujos, esquemas y símbolos todas las características que debe tener un elemento que se va a fabricar, o la posición que tiene en un conjunto industrial donde realiza su función.
Existe un dibujo industrial especializado en cada uno de los campos, como son el mecánico, eléctrico, electrónico y químico; pero todos ellos se basan en la normalización internacional que se aplica en los países con cierto desarrollo tecnológico.

Nota
El dibujo industrial es un lenguaje técnico universal que todo el que trabaja en el sector debe conocer para diseñar, interpretar y construir los elementos que se requieren.



Estos planos y esquemas se realizan como unión entre el proyecto y la ejecución, ya sea en montajes de conjuntos de máquinas, estructuras metálicas, distribución de elementos para los montajes eléctricos, calderería de depósitos, tuberías, instalaciones fijas y/o móviles, etc.
Los principios generales de un ‘Sistema de Normas’ son responder a las necesidades reales, constituir un sistema coherente y completo y representar un equilibrio entre las exigencias técnicas y la realidad del desarrollo tecnológico del país.
En la industria existen tres categorías de normas:
Las normas siguen evolucionando debido a los avances tecnológicos de la industria. Un buen técnico debe estar al día en el conocimiento de las innovaciones que se produzcan.

Las normas en el dibujo industrial ofrecen múltiples ventajas, entre las que se encuentra la simplificación aportada en los dibujos de conjunto y en la representación de sus distintos elementos: tornillos, resortes, rodamientos y ruedas dentadas. No se dibujan completos con su representación real en los planos de despiece, con lo que se economiza en tiempo.
El lenguaje de la representación gráfica incluye un alfabeto que se expresa mediante las líneas. De esta forma, con los distintos tipos de líneas (grosores y formas) se realiza una descripción de cómo es la pieza y sus distintos niveles, para expresar claramente mediante este lenguaje si las aristas pertenecen a la pieza, si son ocultas, si se deben a ejes de revolución o a ejes de agujeros pasantes, trayectorias e indicación de cortes y secciones, etc.
En la tabla siguiente se establecen las normas generales en cuanto a forma, cómo se denominan y la aplicación en la que se utilizan. Es fundamental conocerlas todas, ya que de su correcta interpretación depende mucho la correcta fabricación.
| Tipos de líneas | |||
| Tipo dibujo | Descripción | Aplicación general | |
| A |
|
Línea gruesa | A1. De contorno visto A2. De arista viva |
| B |
|
Línea fina | B1. De ficticia vista B2. De cota B3. De proyección B4. De referencia B5. De rayados B6. De sección abatida B7. De eje corto |
| C |
|
Línea fina a mano alzada | C1. De corte parcial (rotura) |
| D |
|
Línea fina en zigzag | D1. De corte parcial |
| E |
|
Línea media de trazos | E1. De contorno oculto E2. De arista oculta |
| F |
|
Línea fina de trazos | F1. De contorno oculto F2. De arista oculta |
| G |
|
Línea fina de trazo y punto | G1. De eje de revolución G2. De trazas de simetría G3. De trayectoria |
| H |
|
Línea fina de trazo y punto con tramos gruesos en extremos y cambios de dirección | H1. De trazas de plano de corte |
| I |
|
Línea gruesa de trazo y punto | I1. De indicación de superficies con especificaciones particulares |
| J |
|
Línea fina de trazo y doble punto | J1. De contornos de piezas adyacentes J2. De extremos de piezas móviles J3. De centro de gravedad J4. De partessituadas delante de un plano de corte |
Dentro de la normalización en las representaciones gráficas realizadas en la industria, el soporte para expresar las formas de las piezas e instalaciones debe seguir unas normas.
Los llamados formatos tienen unas dimensiones, que aunque en algunos casos pueden variar, guardan las características que se dicen a continuación.

El tamaño del formato que se debe utilizar siempre está en relación al tamaño del conjunto (mecánico, instalación, etc.) o a la pieza individual que se pretenda fabricar, siempre atendiendo a la escala con la que se represente el elemento.
De esta forma, para su archivo ya sea de forma informática o física en papel, se deben identificar claramente mediante la información incluida en el cajetín los datos que tienen que ver con el elemento representado para de esta forma tener ordenados todos los dibujos, los cuales se podrán interpretar siempre por otro técnico diferente del que realizó el diseño.
Con la normalización industrial se consigue la portabilidad de diseño y formas realizadas en los planos. En un plano a tamaño A3 se tendría:

Dentro del dibujo industrial mecánico se pueden realizar esquemas fuera de escala de instalaciones eléctricas, neumáticas e hidráulicas. Pero los dibujos para la fabricación mecánica (piezas) se realizan a escala con datos precisos para poder construirlos con las características adecuadas al conjunto donde se situarán, para que cumplan las funciones que se les pide.
En los planos individuales de fabricación se indican las dimensiones, características de forma, acabados superficiales, tolerancias, etc. En el plano de conjunto se indica la posición de las piezas individuales, además de la lista de piezas que lo forman.
Cuando se diseña un mecanismo o máquina se realiza en primer lugar un dibujo con el montaje de todas las piezas que lo forman y posteriormente se dibujan los elementos desmontados en un plano de fabricación individual.

Tanto los planos individuales de fabricación como los de conjunto incluyen un cajetín de identificación y una lista de piezas donde se expresan las características que lo definen para su fabricación, o las piezas que forman parte del conjunto.

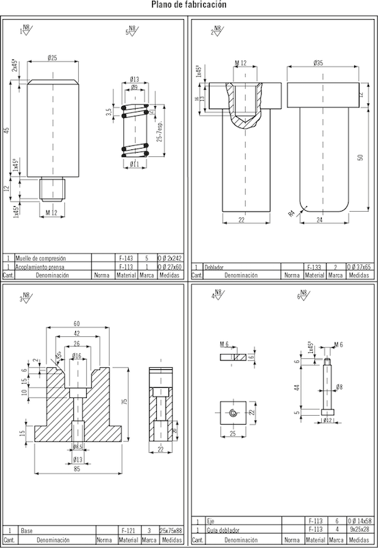
| 1 | Eje | F-125 | 6 | Ø 14x58 | |
| 1 | Muelle de compresión | F-143 | 5 | Ø 2x242 | |
| 1 | Guía doblador | F-113 | 4 | 9x25x28 | |
| 1 | Base | F-121 | 3 | 25x75x88 | |
| 1 | Doblador | F-133 | 2 | Ø 37x65 | |
| 1 | Acoplamiento prensa | F-113 | 1 | Ø 27x60 | |
| Cant. | Denominación | Norma | Material | Marca | Medidas |
En este plano de conjunto, se representa el montaje de las piezas para el acoplamiento del útil a la prensa, y la base donde se realizará el doblado de la chapa. Esta tomará la forma quebrada que tiene la base cuando el doblador descienda. El eje con la guía del doblador subirá mediante la recuperación del muelle de compresión, y quedará preparado para la siguiente pieza.
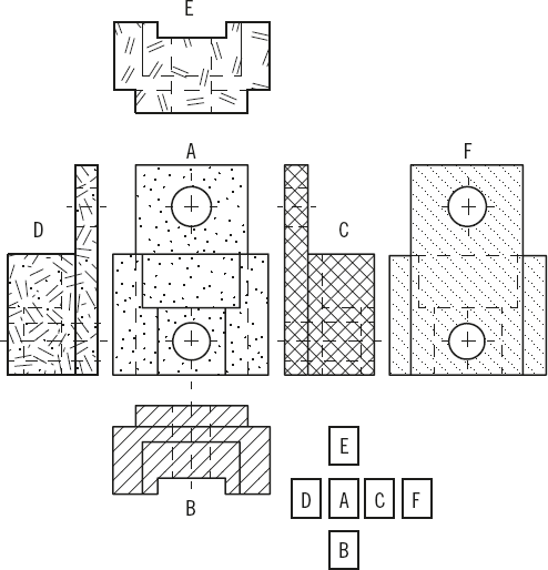
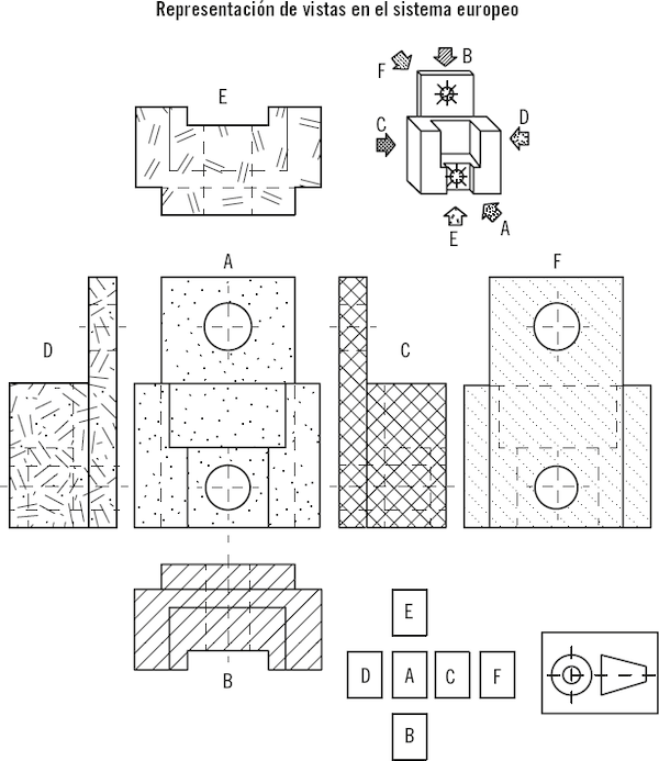
Se emplean las llamadas ‘vistas’ para definir y representar un objeto gráficamente. Estas se realizan dibujando las distintas caras que se pueden observar sin tener en cuenta la profundidad. Se trata de una proyección cilíndrica ortogonal (se estudiará más adelante). De esta forma, se representan las mínimas vistas para que quede definida la pieza, colocando estas en posiciones alineadas para que su interpretación sea correcta y única.
Siempre existen seis vistas en cada pieza, pero normalmente se realizan tres llamadas: alzado, planta y perfil.
El alzado A es la vista principal que mejor define la pieza. Se sitúa en el centro y el resto de las vistas se colocan en función de esta.
La planta B es lo que se observa desde arriba, y complementa casi siempre al alzado.
Si fuera necesario, se realiza el perfil C, que es el que se observa por uno de los laterales de la pieza.

Para emplear las mínimas vistas que definan la pieza, es importante la elección correcta del alzado. Se pueden realizar además las otras tres vistas llamadas secundarias D, E y F, pero normalmente no son necesarias.

La forma de utilizar e interpretar los trazos es sencilla. Las aristas vistas se representarán mediante línea continua y gruesa; las aristas ocultas mediante línea a trazos y de menor espesor; y los ejes mediante línea de punto y raya con un grosor fino.
Métodos de proyección

Estos símbolos expresan en qué sistema se ha efectuado la representación.

Importante
La primera actividad, para identificar claramente la representación de la pieza mecánica, consiste en reconocer el tipo de representación Europeo o Americano. En un mundo globalizado puede trabajar con dibujos de todo el mundo.


Sabía que...
Las representaciones, en los dos tipos de sistemas Europeo o Americano, varían solo en la colocación de las distintas vistas con respecto al alzado.

En las representaciones se pueden utilizar vistas particulares en las que se detalla alguna zona que no se observa claramente con las vistas normales de alzado, planta y perfil, o cuya representación sería demasiado complicada al estar inclinada u oculta alguna zona de la pieza. Se denominan vistas auxiliares o de detalle.

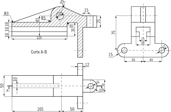
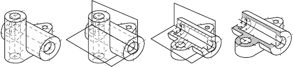
A menudo, con las tres vistas principales (alzado, planta y perfil), la pieza no queda claramente definida cuando existen excesivas aristas ocultas. En esta situación se utilizan los llamados cortes y secciones que ayudan a conseguir una mejor representación, aclarando la visión.
Existe una diferencia entre sección y corte. En la sección se representa solo la parte en la que el plano de corte interfiere (o toca) la pieza, y en el corte se plasma además las aristas que quedan detrás de la sección.

Algunos tipos de cortes se realizan al cuarto (90º), total (180º), parcial, quebrado y rotura. Todos se emplean para aclarar la visión de la pieza. La misión fundamental de los cortes es eliminar las aristas que quedan ocultas en las vistas. Se realizan los cortes y secciones para, mediante un golpe de vista, identificar la pieza en un conjunto más o menos complicado.
Los planos de corte se deben indicar para que se pueda interpretar de manera única, con diferentes rayados, los cortes y las piezas de un conjunto mecánico.
Algunos tipos de cortes que se encuentran en la industria, se representan a continuación.

Se pueden también realizar cortes quebrados o las llamadas roturas, que enseñan una zona particular de la pieza donde se encuentra un agujero ciego o roscado para introducir por ejemplo una chaveta, un pasador o un tornillo.

Para definir formas complicadas en las piezas industriales se utilizan las secciones, en las que se representa solo la parte que el plano de corte toca la pieza. Se utilizan para aquellas piezas que por su forma tienen distintas secciones a lo largo de su longitud, en el caso de ejes y árboles de transmisión.
Algunos tipos de secciones que se encuentran en la industria, se representan a continuación.

Se indican los planos de corte sucesivos para que quede claramente definida la zona seccionada. Se puede indicar la sección en otras vistas auxiliares o dentro del mismo dibujo.


Aplicación práctica
Usted se enfrenta a su primer día de trabajo en el taller de mecanizado, donde ha sido contratado para realizar pequeñas piezas para un pedido solicitado por una empresa de material didáctico. Estas piezas servirán para enseñar a otros alumnos las formas básicas en la interpretación de las vistas de los cuerpos.
El encargado le propone realizar la representación de las vistas en diédrico, de una pieza piloto que le ha llegado del cliente.
SOLUCIÓN

En primer lugar, se deberá observar la pieza para detectar sus características básicas, salientes, taladros, etc.; y elegir la vista de alzado. Es muy importante la elección, ya que debe ser la vista más representativa y además las otras de perfi l y planta estarán en función de ella.

Se realizan las vista de alzado, planta y perfi l, en el sistema europeo, colocándolas alineadas para su correcta interpretación.
Teniendo en cuenta que la pieza tiene taladros en su interior, es conveniente realizar un corte total (180º) que haga visibles las aristas interiores, ya que en la vista de alzado aparecen muchas aristas ocultas, marcadas con línea discontinua.

Habrá que indicar el plano de corte que se ha utilizado, para que la interpretación por cualquier otro técnico quede claramente definida.
Concepto de proyección
Se llama proyección de un punto ‘O’ sobre un plano ‘P’ a la intersección con el mismo de la línea proyectante ‘f’ que pasa por dicho punto.

Proyectar una figura o cuerpo del espacio desde un punto sobre un plano consiste en trazar rectas que partiendo del punto ‘O’ pasan por todos los puntos de la figura o cuerpo, prolongándose hasta chocar con el plano de proyección, obteniendo la proyección de la figura o cuerpo en el espacio.
Elementos de una proyección
A continuación, se describen los elementos de una proyección:

Clases de proyecciones (cónica y cilíndrica)
A continuación, se describen las clases de proyecciones:


De todos los tipos de proyecciones, la más utilizada es la cilíndrica ortogonal, ya que con ella se simplifican las formas proyectadas en los planos. Es el método que se utiliza en el sistema diédrico, en el que existen dos planos de proyección (vertical y horizontal), separados por la llamada ‘Línea de Tierra’ (LT), que hace de intersección entre los dos.

En la representación diédrica se pliega el plano horizontal sobre el vertical, dibujándose solo las proyecciones en los dos planos.
El desarrollo de este sistema no se realiza, pero es importante conocer las bases fundamentales y las proyecciones del punto, la recta y el plano en el 1er diedro.
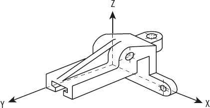
En el espacio existen tres dimensiones que son anchura, profundidad y altura. Cuando las tres direcciones se unen en un punto común (O) forman a partir de él los llamados ejes coordenados X, Y y Z.
En gráfica se utilizan estos tres ejes para representar en dos dimensiones (papel) imágenes que en la realidad tienen tres dimensiones. Son muchos los métodos de representación que utilizan los ejes coordenados, pero los más utilizados en la industria son la perspectiva isométrica y la perspectiva caballera.
Sistema de representación cilíndrica ortogonal. Axonométrica (isométrica, simétrica y trimétrica)
Se utilizan los tres ejes coordenados ya descritos, pero dependiendo de la posición relativa de cada uno de ellos respecto a los otros se puede tener tres tipos de perspectivas. En general se hablará de axonométrica.
Siempre existen coeficientes de reducción en los ejes, y dependen de la distinta disposición de los ejes respecto al ‘plano del cuadro’ del papel de representación. Así tenemos:

Sistema de representación cilíndrica oblicua. Caballera
Se utilizan también los tres ejes coordenados ya descritos, pero se toma el ‘plano del cuadro’ paralelo al papel de representación. De esta manera todo lo que se dibuje en ese plano no tendrá coeficientes de reducción, dejándose este para el otro eje llamado ‘de reducción’.
Existen diferentes inclinaciones para el eje de reducción, pero lo normal es de 135º respecto a los otros dos, que están a 90º.
La forma de la perspectiva caballera, de cómo quedaría el cubo, dependerá del ángulo.

Estos posibles ángulos se encuentran normalizados en 30º, 45º y 60º.
Con todo lo estudiado anteriormente (vistas, diédrico y posición de los ejes en perspectiva), ya se puede acometer el estudio de la representación en perspectiva de una pieza a partir de las vistas de alzado, planta y perfil plasmadas en el sistema diédrico.
Existen diferentes métodos, y siempre dependerá de la facilidad innata que tenga el técnico, pero siguiendo unas sencillas instrucciones se puede conseguir representar cualquier pieza.

El primer paso siempre es colocar ordenadamente y con correspondencia las vistas tomadas en diédrico. Una vez elegido el sistema de perspectiva y sus ejes en axonométrico o en caballera, se disponen estas vistas siguiendo los ejes coordenados.
Se cruzan las líneas extremas, imaginando la forma que tiene en volumen, comprobando continuamente las vistas del objeto que se va construyendo.


Recuerde
Existen diferentes métodos de representación, y siempre dependerá de la facilidad innata que tenga el técnico a la hora de llevarla a cabo, pero siguiendo unas sencillas instrucciones se puede conseguir realizar cualquier tipo de pieza.
Perspectiva isométrica
Los tres ejes coordenados X, Y y Z están dispuestos con 120º entre ellos, no realizándose reducción, ya que sería la misma en los tres ejes.
Las líneas horizontales y verticales se fugan paralelas a los ejes, pero las formas curvas sufren unas deformaciones, representándose las curvas, circunferencias y círculos en forma de óvalo (en general, axonométrica sería una elipse).

Algunos ejemplos de representación de piezas en perspectiva isométrica:

En el caso particular de la perspectiva dimétrica, existe una normalización en los ejes de fuga. Se tendrán elipses en los tres planos que definen los tres ejes coordenados.


Aplicación práctica
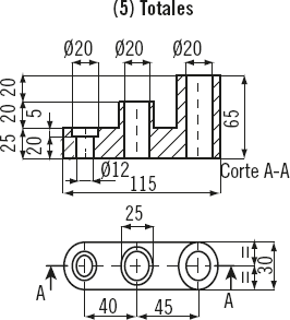
Le llega de un cliente el encargo de un diseño de una pieza para realizarla mediante arranque de viruta. Se trata de otra pieza más del pedido de material didáctico, del que deben realizar una serie de 50 unidades.
En este caso le envían las vistas de alzado (seccionado), planta y perfil, y debe realizar un croquizado de cómo es la pieza en perspectiva isométrica, ya que tiene que informar a su gerente de las formas para evaluar la cantidad de material en bruto que se debe adquirir como materia prima.
SOLUCIÓN
El primer paso siempre es la observación minuciosa de las vistas, identificando taladros, ejes de centrado y pasantes, salientes, nervios, etc. Siempre es mucho mejor invertir tiempo en la observación que ponerse a dibujar sin tener las formas en perspectiva claramente pensadas.

Se observa que en la vista de planta se indica el corte a 180º (corte A-B), representado en la vista de alzado.
A menudo es útil imaginar una forma real para poder basarse en una imagen y realizar la perspectiva. En este caso, se puede imaginar (según la vista de alzado) que la forma en perspectiva se asemeja a un nadador arrodillado en el borde, que va a realizar un salto a la piscina.
La colocación de las vistas diédricas en perspectiva en cada uno de los planos de proyección isométrica ayuda en gran medida a la interpretación en volumen de la pieza que se quiere representar.

Una vez cruzadas las líneas, realizado el volumen y borrando las vistas dibujadas en perspectiva, se obtiene la perspectiva isométrica de la pieza.

Perspectiva caballera
Existe un plano en el que los objetos representados no tienen coeficiente de reducción, normalmente entre los ejes X y Z, existiendo fuga y reducción en el otro eje Y.
Como en la perspectiva isométrica, las líneas horizontales y verticales se fugan paralelas a los ejes, y las formas curvas sufren una deformación en los planos paralelos al eje de fuga (elipse), representándose el círculo en el frente. Debido a esto la elección de las formas curvas para que se vean circunferencias y círculos sin reducción facilita en gran modo el trazado de la pieza.

Algunos ejemplos de representación de piezas en perspectiva caballera:


Como ya se comentó con anterioridad, la mayor o menor capacidad para realizar vistas y representaciones en perspectiva se tiene en gran parte de manera innata, pero se puede educar realizando muchos ejercicios y siguiendo los sencillos pasos que se describen en este capítulo.
Con respecto a la sección de piezas en perspectiva, es esencial para su interpretación ser una persona observadora e imaginativa.
La realización de cortes es esencial cuando la profesión es la de diseño, pero en el caso de este manual, la correcta interpretación del dibujo para realizar las vistas y cortes se considera suficiente.
Cortes en perspectiva isométrica
El primer paso es siempre identificar en qué tipo de perspectiva está la pieza, para poder realizar o interpretar el corte que hará ver el elemento por dentro.
La situación teórica de los ejes (casi nunca están indicados) y las líneas de fuga son muy importantes, así como observar si las líneas curvas están representadas mediante circunferencias o elipses. En el caso de la perspectiva isométrica, las curvas siempre serán óvalos, al realizarse sin coeficientes de reducción.
En el ejemplo, se ven los pasos que se han seguido para realizar un corte a 90º (también llamado a un cuarto), pasando por el eje que va por el taladro horizontal.

Con este tipo de corte se consigue ver la parte interior y exterior de la pieza. Es muy recomendable en los casos de representaciones de válvulas de paso de líquidos o gases.

En el caso de piezas simétricas respecto a un eje, se puede tomar la decisión de realizar un corte total o también llamado a 180º.

Cortes en perspectiva caballera
Al igual que en la perspectiva isométrica, en la perspectiva caballera es muy importante la situación teórica de los ejes y de las líneas de fuga.
En la perspectiva caballera la identificación es más sencilla, ya que al tenerse uno de los planos (XZ) paralelo a la visión directa, las curvas realizadas en él se representan mediante circunferencias y arcos de circunferencia, observándose elipses en los otros dos planos de fuga.
En el ejemplo, se ven los pasos que se han seguido para realizar un corte al cuarto (90º), realizado por el eje que pasa por el taladro horizontal que se fuga.

En el caso de piezas simétricas respecto a un eje, también se puede tomar la decisión de realizar un corte total (180º).
En el ejemplo, se ven los pasos que se han seguido para la representación de la pieza en perspectiva caballera, cortada a 180º, pasando por el eje horizontal de simetría.

Hace falta disponer de gran visión espacial y experiencia para realizar un dibujo en perspectiva seccionada, pero con este tipo de representación gráfica se puede facilitar mucho la interpretación de las piezas y cómo se realiza su montaje en el conjunto.
Se pueden, no obstante, entrenar los métodos de representación, empezando por la realización de sencillos ejercicios, elevando gradualmente la dificultad de la pieza a representar.
Croquizado de conjuntos
Cuando se debe realizar la representación en el taller de un conjunto determinado, se puede utilizar un apunte rápido llamado ‘croquis’, de forma que se obtengan en líneas generales la disposición de las piezas.

Definición
Croquis
Dibujo esquemático a mano alzada que, por ejemplo, se usa para representar piezas.
La representación a mano alzada de las piezas economiza tiempo y permite una gran flexibilidad en el dibujo, para posteriormente tomar las medidas y realizar el dibujo con instrumentos más precisos o en el ordenador con herramientas informáticas de diseño.
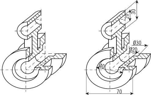
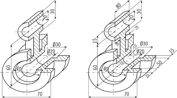
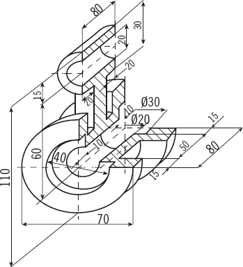
En el croquis siguiente que representa un gancho, se ha realizado un despiece en perspectiva manteniendo las piezas en los ejes que indican el montaje de unas partes en otras. El orden de numeración de las marcas que identifican las piezas individuales puede realizarse teniendo en cuenta el proceso normal de montaje, ayudando de esta manera en la representación del conjunto.

El croquizado de un despiece/conjunto se utiliza mucho para describir de forma sencilla las acciones a realizar en los procesos de montaje de piezas en un conjunto mecánico en las cadenas de montaje. Se llaman hojas de proceso de cada puesto de trabajo, e incluyen tiempos de montaje y referencias de las piezas para repuestos, intercambiabilidad, etc.

Nota
Las hojas de proceso se usan para describir de forma sencilla en forma de croquis las acciones a realizar en los procesos de montaje de piezas en un conjunto mecánico en las cadenas de montaje.
Representación de conjuntos
Para montajes de piezas, ya sean complicados o sencillos, grandes o pequeños, se utiliza la representación del montaje de un conjunto en el que además se pueden realizar los cortes y secciones que aclaren las formas y disposiciones de las piezas individuales.
Los dibujos de conjuntos en perspectiva conllevan la aplicación del sistema diédrico, cortes y secciones, y métodos de la perspectiva isométrica y caballera.

Con la representación cortada de las piezas se consigue un alto nivel de interpretación para identificar las partes de que consta el conjunto mecánico.
Se pueden también realizar perspectivas de despieces.
En el conjunto mecánico en perspectiva que vemos en la siguiente imagen se representa un sencillo montaje de las piezas de que consta un adaptador para un árbol, en el que sobre un eje (1) se monta el cuerpo roscado (2), fijándose a él mediante una tuerca cilíndrica roscada (3) y un tapón de seguridad (4).

Con las herramientas informáticas de que se dispone en la actualidad se facilita mucho las representaciones de las piezas y sus conjuntos. Se pueden desmontar y montar, de manera virtual, en sus respectivos conjuntos mecánicos.
Cuando un técnico observa un plano, lo más importante es la primera identificación de los símbolos que tiene, que servirán para su clasificación en familias e interpretación posterior según las características que expresen.
En los dibujos técnicos de ingeniería mecánica aparecen diferentes familias que son:
Se realizará la identificación de los símbolos más característicos, agrupán-dose en las familias comentadas, dejando la interpretación de cada símbolo para otros capítulos del módulo de fabricación mecánica.
Indican el acabado que una determinada superficie de la pieza debe tener una vez se haya realizado su mecanizado.
Se pueden tener superficies acabadas finas, medias y bastas, dependiendo de la función que vaya a desempeñar la pieza en el conjunto mecánico.
Su indicación en los planos es:

En los símbolos pueden indicarse los mecanizados que se deben realizar, y su acabado final.

Se emplean textos (palabra, frase o párrafo) siempre que se deba expresar alguna información que tenga que ver con la fabricación, tratamiento o explicación característica, y que no se pueda indicar mediante algún otro símbolo normalizado.
A las piezas que tienen alguna función a cumplir en un conjunto mecánico se les exige tener unas dimensiones finas (dentro de la medida nominal que se acota), para permitir movimientos, desplazamientos, aprietos y juegos, con más o menos tolerancia.
Su indicación en los planos es:

Se pueden tener ajustes de eje con agujero y con unas calidades determinadas según el sistema de normas ISO.
Su indicación en los planos es:

Para la consignación por abreviaturas ISO se coloca en el orden citado:

También a algunas piezas que tienen alguna función a cumplir en un conjunto mecánico, se les exige unas dimensiones en relación con su forma geométrica final.
El símbolo utilizado es el llamado rectángulo de tolerancias, que dispone de dos, tres o más recuadros, celdas o compartimentos.
Su indicación en los planos es:

Se colocan en los recuadros, en el orden citado:

En los planos de fabricación mecánica se pueden encontrar tres tipos de tolerancias geométricas: de orientación, de situación y de oscilación.

Las piezas, o superficies o partes de ellas, que deban recibir un tratamiento térmico para conseguir más dureza, debido a la función a realizar en el conjunto, hay que indicarlas en los planos de fabricación en las superficies que se deban tratar, o mediante una inscripción de texto.

Para indicar los cordones que se deben realizar en las piezas de un conjunto, los símbolos de soldaduras expresan las longitudes, forma y tipo de soldadura.
En los símbolos se tienen en cuenta cuatro puntos en relación con las acciones a realizar:
Algunos tipos de indicaciones en los planos son:


Para piezas cónicas o con forma de tronco de cono existen unas indicaciones que relacionan dos dimensiones.
La conicidad relaciona el diámetro de la base del cono y la altura de ese cono.

Su cálculo e indicación en los planos es:

La convergencia es un término similar al de conicidad, pero relaciona la dimensión de la base del tronco de la pirámide con la altura de esa pirámide completa o truncada.

Su cálculo e indicación en los planos es:

La inclinación relaciona la longitud con la altura que forma 90º con ella.

Se puede indicar mediante el término pendiente, expresado en tanto por ciento (%).
Su cálculo e indicación en los planos es:

Estos datos se encuentran en el cajetín de descripción de la pieza, encima del cajetín del plano. En él se encuentran datos como la cantidad de piezas iguales, la denominación, la norma, el material, la marca que la identifica en el plano de conjunto y las medidas en bruto para construirla mediante arranque o no de viruta.
| 1 | Base | F-121 | 3 | 25x75x88 | |
| 1 | Doblador | F-133 | 2 | Ø 37x65 | |
| 1 | Acoplamiento prensa | F-113 | 1 | Ø 27x60 | |
| Cant | Denominación | Norma | Material | Marca | Medidas |
Cajetín de descripción de la pieza
La marca de la pieza puede encontrarse en la parte superior del plano, donde además también se puede indicar los acabados superficiales general y particular (entre paréntesis) que deben tener las piezas terminadas.

En las acotaciones se utilizan símbolos que tienen un significado:



Recuerde
La identificación de cada símbolo en los planos de fabricación se realiza de manera intuitiva, relacionándolos con su familia.
En el plano siguiente, se encuentran algunos símbolos que pueden aparecer en los planos de fabricación.

En el dibujo lineal, ya sea de ingeniería industrial o de arquitectura, la manera de informar sobre las dimensiones y las características que definen un objeto para su fabricación o su montaje en un conjunto mecánico se realiza por medio de la acotación.
En la industria, las cotas pueden estar formadas por inscripciones, números, flechas, letras, símbolos, marcas, puntos, líneas, etc.
En la definición de las medidas se utilizan dimensiones adecuadas de representación, ya sean milímetros, centímetros, metros, u otros; dependiendo de la escala del dibujo.
En la cota se representa siempre la dimensión real, sin tener en cuenta la escala del dibujo, ya sea de ampliación o de reducción.
Tipos de acotaciones
Se refieren a las distintas cotas que tienen que ver con la función de la pieza, la forma de construcción y la forma de verificar que se encuentran dentro de las tolerancias exigidas:
Tipos de cotas
Se refieren, por categorías, a las cotas que tiene que ver con el funcionamiento de la pieza en el conjunto, su fabricación y otras que ayudan a la interpretación del conjunto.
Se deben seguir siempre para conseguir la mejor definición de la pieza o conjunto mecánico los siguientes pasos fundamentales para realizar las acotaciones:
Líneas auxiliares de trazo fino

Extremos de línea de cota
Flecha
Se pondrán generalmente en el interior de la dimensión con el vértice en el extremo de la línea de cota.

Cuando no se disponga de suficiente espacio se pueden poner también en el exterior de la dimensión con el vértice en el extremo de la línea de cota.

Punto y trazo oblicuo
Se utilizan casi exclusivamente en dibujo de arquitectura.
Radio
Se utiliza una sola flecha en el lado que toca el arco. Se colocará en el interior o en el exterior, dependiendo del espacio que se tenga en el dibujo. No se utilizará nunca la línea de cota en prolongación vertical u horizontal.

Medidas en piezas simétricas y cortes
Normalmente se dibuja la cota incompleta, con una sola flecha.
Inscripciones
Cifras de cota
Nunca deben ser cortadas por otra línea.
Se inscriben según uno de estos métodos:

Cuando no se disponga de espacio, o por razones estéticas en general, la inscripción se situará sobre la prolongación de la línea de cota. Se utilizan líneas de referencia.
Elementos auxiliares
Sentido de observación
Las flechas indican la visión que hay que tomar para el corte o sección a realizar en el alzado.
Designación
Letras mayúsculas junto a las flechas.
Traza
Es el plano secante por donde se realiza el corte o sección de una pieza. Se dibujan líneas gruesas en los extremos y en los cambios de dirección.

Rayado
Marca la zona cortada o seccionada. Si se incluyen inscripciones en su interior, se debe interrumpir el rayado. Para diferenciar las distintas piezas en los planos de conjunto, se dibujan con sentidos y/o inclinaciones y separación de trazos diferentes.

Simetría
Indicación con trazos (dos) en los extremos de los ejes de simetría. Para piezas simétricas o doblemente simétricas.
Existen varios tipos, siempre dependiendo de la forma en que se va a construir o mecanizar la pieza. En el caso de mecanizado manual, las cotas acumulativas o superpuestas pueden ser de gran ayuda cuando se necesita un punto o línea de origen.

En el caso de mecanizados realizados con medios mecánicos y máquinas que actúan por coordenadas, el tipo de acotación por sistema coordenado ayuda mucho en la programación de las máquinas-herramienta.

Las normas de acotación aplicadas en España están recogidas en la norma UNE 1-039-94.
Para aplicar los principios generales de acotación ya descritos con anterioridad, el mejor ejercicio es hacer muchos ejercicios para de manera más o menos rápida conseguir un buen nivel, ya que en una pieza mal acotada se nota mucho más un pequeño fallo que un gran borrón.
Recordamos brevemente los principios:

Recuerde
Es importante no cruzar líneas de cota que tengan informaciones dimensionales, aunque sí pueden cruzarse las líneas auxiliares.
Acotaciones en vistas de piezas
Aunque siempre existen normas en la industria, en el caso de la acotación se tiene una flexibilidad a la hora mantener un orden de actuación. Aquí se recomienda seguir uno sencillo, para conseguir que no se olvide ningún tipo de cota.
La manera más sencilla, como siempre, es realizando un ejercicio comentando los pasos llevados a cabo para adquirir una cultura de orden en el trabajo. Para la pieza representada en perspectiva caballera, se realizará su acotación.

Se deben inscribir los siguientes tipos de cotas:





Acotaciones en perspectiva isométrica y caballera
Se recomienda seguir los mismos pasos y orden que en el caso de acotaciones para vistas de piezas. Hay que tener cuidado de colocar las cotas en referencia a las líneas de fuga de cada arista, en los tres ejes X, Y y Z.
En los siguientes ejemplos de piezas realizadas en perspectiva isométrica y caballera se pueden ver claramente aplicadas las normas de acotación: diámetros y radios, posición de taladros, parciales y totales.


Acotaciones en piezas cortadas
Se realizan de la misma forma, siguiendo el orden y la fuga de las aristas. En las zonas cortadas se lleva a cabo un rayado apropiado, para indicar la parte de material seccionada.

En general, para todos los tipos de acotaciones a realizar existe una comprobación general y final para observar que no se ha olvidado ninguna cota. Consiste en imaginar que se realiza de nuevo ese dibujo, pero sin necesidad de tomar ninguna medición directa con instrumentos en el plano ya acotado.
Este es el último paso para estar seguro de que la pieza está correctamente acotada y lista para su fabricación mediante arranque de viruta o mediante moldeo por fundición.
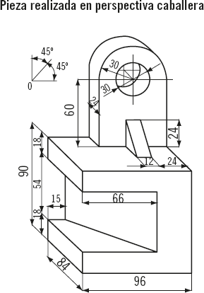
Usted, dentro de las actividades que realiza en su empresa de mecanizado, ha recibido el encargo de acotar el diseño de una pieza, para construirla mediante arranque de viruta a partir de un tocho de materia prima de acero al carbono.
Deberá medirla y realizar la representación en la perspectiva más adecuada, para mecanizarla en el taller.
Solución
Como en casos anteriores, se recomienda la observación minuciosa de la pieza que se pretende representar, para identificar claramente desde un principio las formas generales, salientes, taladros pasantes, nervios, avellanados, etc.

Una vez determinada la posición del alzado y el tipo de representación que más ayude a la interpretación de la pieza (en este caso será perspectiva caballera), se debe realizar un corte para eliminar las aristas ocultas y ver más claramente la pieza internamente, para posteriormente acotar clara y correctamente todas las dimensiones que ayudarán en su mecanizado.

Se recomienda realizar un corte a 90º, por el eje de simetría, para de esta forma obtener la visión interior y exterior de la pieza. La colocación de las cotas que expresan las medidas de la pieza se ha de realizar igualmente en perspectiva, con las líneas auxiliares y de cota fugadas según los ejes X, Y y Z.
Para la inscripción de las cotas, siguiendo las recomendaciones anteriores, y para que no se olvide ninguna ni se repita, se establecerá un orden:



La representación gráfica para indicar las formas y dimensiones que deben tener las piezas es un instrumento fundamental en la industria mecánica, y con la interpretación de este lenguaje se puede conseguir unificar las acciones que se deben realizar en la fabricación.
El dibujo industrial utiliza la normalización de los elementos gráficos para expresar de forma clara y única las características que se deben conseguir en las piezas de un conjunto, para que una vez montadas cumplan su función.
Las vistas, los cortes, las secciones y los métodos de la perspectiva aclaran las representaciones gráficas, aportando a los dibujos una visión tridimensional, muy útil para la interpretación de los elementos mecánicos.
El lenguaje gráfico utiliza los símbolos para describir las acciones que se han de realizar en la fabricación, consiguiendo de forma sencilla y clara la interpretación rápida y exacta de los métodos a utilizar y las características finales que las piezas del conjunto deben tener.
En la búsqueda de la intercambiabilidad industrial, las tolerancias se emplean para conseguir que las piezas en el conjunto cumplan su función de movimiento, preservando también su desgaste prematuro.
El lenguaje de la acotación es fundamental, aportando a los dibujos riqueza de datos útiles para la construcción de los elementos del conjunto. Esta normalización servirá para la interpretación de un dibujo industrial por un técnico diferente del que lo diseñó, pudiendo trasladarse la información de manera precisa.

Ejercicios de repaso y autoevaluación
1. En la normalización del dibujo industrial existen tres categorías, que son:
2. En la columna A se indican tipos de líneas utilizadas en las representaciones gráficas. En la columna B se indican aplicaciones de ellas. Enlace ambas columnas según corresponda.
| A | B |
| Línea fina | De cotas |
| Línea fina de trazo y punto | De contorno oculto |
| Línea gruesa | De rayados |
| Línea media de trazos | De centro de gravedad |
| Línea fina a mano alzada | De eje de revolución |
| Línea fina de trazo y doble punto | De arista viva |
| Línea fina | De corte parcial |
3. ¿Qué dos sistemas se usan para la representación de las vistas en un dibujo industrial?
4. Complete:
Proyectar una figura o cuerpo del espacio, desde un punto sobre un _________, consiste en trazar _________ que partiendo del punto ‘O’, pasan por todos los _________ de la figura o cuerpo, prolongándose hasta chocar con el plano de _________, obteniendo la proyección de la figura o cuerpo en el espacio.
5. El sistema de perspectiva isométrica tiene como característica...
6. Seleccione si las siguientes afirmaciones son verdaderas o falsas:
7. Entre los símbolos que se utilizan en la representación de planos de fabricación se encuentran...
8. Las normas de acotación aplicadas en España están recogidas en...
9. En las acotaciones, indique cuál de las siguientes afirmaciones no es un principio general:
10. Indique los pasos principales para efectuar la acotación de una pieza, ya sea para las vistas o para la perspectiva, indicando brevemente la función que tienen.